Termék összefoglaló
| RVE35 sorozatú napelemes szivattyú VFD | | |
| | DC/AC BEMENET | |
| | Letisztult dizájn | |
| | MPPT | |
| Paraméteres | ||
| Modell | RVE35-T3-0R7GB ~ RVE35-T3-4GB |
| Feszültség | 350 VDC - 800/900 VDC bemenet, 3 PH 380 VAC - 440 VAC bemenet | |
| P névleges (kW) | 0,75/1,5/2,2/4 | |
| Névleges áram (A) | 2,5/3,7/5/10/13 | |
| MPPT Vmp/Voc | 540/660 | |
| Méretek (mm) | 187*86*152 | |
Alkalmazási hátterek
| Az elmúlt években, a globális „élelmiszer-probléma” és „energiaprobléma” súlyosbodásával a napenergiával működő vízszivattyúkat fokozatosan a hatékony ipari integrációs termékekként emlegették, amelyek megoldják a hatékonyan megművelt földterületek kibocsátásának növelését és a fosszilis energia tiszta energiával való helyettesítését. Ennek eredményeként egy kialakulóban lévő gazdasági modell született, amelyben a szoláris ipar olyan hagyományos iparágakkal együtt fejlődött, mint a mezőgazdasági vízgazdálkodás, a sivatagszabályozás, a háztartási vízhasználat és a városi vízkép. |
Termékjellemzők
• Maximális teljesítménypontkövetés (MPPT) gyors reakciósebességgel és stabil működéssel
• Száraz futás (terhelés alatti) védelem
• Motor maximális áramvédelem
• Bemeneti áramvédelem
• Alacsony leállási frekvencia védelem
• A PQ (teljesítmény/áramlás) teljesítménygörbe lehetővé teszi a szivattyú áramlási teljesítményének kiszámítását
• Digitális vezérlés a teljesen automatikus működéshez, adattároláshoz és védelmi funkciókhoz
• Intelligens tápmodul (IPM) a fő áramkörhöz
• LED kijelzős kezelőpanel és támogató távirányító
• Kettős módú AC és DC tápegység bemenet áll rendelkezésre
• Alacsony vízszint-érzékelő és vízszint-szabályozó funkció
• Használati környezeti hőmérséklet: -10–50˚C.
| Letisztult dizájn A beépítési terület 50%-kal csökkent A hangerő 30%-kal csökkent | |
| | A teljesen automatikus háromálló festékbevonó gép az áramköri lap védőrétegének vastagítására szolgál, hatékonyan megelőzve az áramköri lap szélpor, korrozív gáz és nedves levegő által okozott károsodását. |
| | Teljesen automatikus érzékelőberendezés alkalmazása a termékek különböző elektromos jelzőinek és védelmi funkcióinak névleges terhelés melletti teszteléséhez. |
| | Minden készterméket 48 órán keresztül terhelés alatt érlelnek 60 fokos magas hőmérsékleten, majd minden elektromos jelzőt terhelés alatt tesztelnek, hogy csökkentsék a termék meghibásodásának arányát. |
Modellnómenklatúra
Általános típusú S2 sorozat:
Vmp 310VDC vagy 220VAC bemenet, 1/3 fázis 0-220VAC kimenet
| Modelll | Névleges áram ( A ) | Kimeneti feszültség (VAC) | Teljesítményű (kW) szivattyúra vonatkozik | A meghajtó mérete külső H*Sz*M (mm) | MPPT Vmp/Voc |
| RVE35-S2-0R7G | 4 | 0-220 | 0.75 | 187*86*152 | 310/372 |
| RVE35-S2-1R5G | 7 | 0-220 | 1.5 | ||
| RVE35-S2-2R2G | 10 | 0-220 | 2.2 | ||
| RVE35-S2-3G | 13 | 0-220 | 3 | 265*105*164 | |
| RVE35-S2-4G | 16 | 0-220 | 4 |
Általános típusú T3 sorozat:
Vmp540-650VDC vagy 380-460VAC bemenet, 3 fázisú 0-380/460VAC kimenet
| Modelll | Névleges áram ( A ) | Kimeneti feszültség (VAC) | Teljesítményű (kW) szivattyúra vonatkozik | A meghajtó mérete külső H*Sz*M (mm) | MPPT Vmp/Voc |
| RVE35-T3-0R7GB | 2,5/3,7 | 0-380/440 | 0.75 | 187*86*152 | 540/660 |
| RVE35-T3-1R5GB | 3,7/5 | 0-380/440 | 1.5 | ||
| RVE35-T3-2R2GB | 5/10 | 0-380/440 | 2.2 | ||
| RVE35-T3-4GB | 10/13 | 0-380/440 | 4.0 | ||
| RVE35-T3-5R5GB | 13/16 | 0-380/440 | 5.5 | 265*105*164 | |
| RVE35-T3-7R5GB (műanyag tok) | 16/25 | 0-380/440 | 7.5 | ||
| RVE35-T3-7R5GB (vas tok) | 16/25 | 0-380/440 | 7.5 | 333*150*216 | |
| RVE35-T3-11 GB | 25/32 | 0-380/440 | 11 | ||
| RVE35-T3-15GB | 32/38 | 0-380/440 | 15 | ||
| RVE35-T3-18GB | 38/45 | 0-380/440 | 18 | 383*180*228 | |
| RVE35-T3-22GB | 45/60 | 0-380/440 | 22 | ||
| RVE35-T3-30GB | 60/75 | 0-380/440 | 30 | 435*175*265 | |
| RVE35-T3-37GB | 75/90 | 0-380/440 | 37 | ||
| RVE35-T3-45G | 90/110 | 0-380/440 | 45 | 670*265*358 | |
| RVE35-T3-55G | 110/150 | 0-380/440 | 55 | ||
| RVE35-T3-75G | 150/170 | 0-380/440 | 75 | ||
| RVE35-T3-90G | 170/210 | 0-380/440 | 90 | 845*305*358 | |
| RVE35-T3-110G | 210A/250 | 0-380/440 | 110 | ||
| RVE35-T3-132G | 250A/300 | 0-380/440 | 132 | ||
| RVE35-T3-160G | 300A/340 | 0-380/440 | 160 | 788*500*360 | |
| RVE35-T3-185G | 340/380 | 0-380/440 | 185 | ||
| RVE35-T3-200G | 380/415 | 0-380/440 | 200 | 900*540*358 | |
| RVE35-T3-220G | 415/470 | 0-380/440 | 220 | ||
| RVE35-T3-250G | 470/520 | 0-380/440 | 250 | ||
| RVE35-T3-280G | 520/600 | 0-380/440 | 280 | 1035*620*400 | |
| RVE35-T3-315G | 600/680 | 0-380/440 | 315 | ||
| RVE35-T3-355G | 680/750 | 0-380/440 | 355 | 1290*780*410 | |
| RVE35-T3-400G | 750/810 | 0-380/440 | 400 |
Kiváló teljesítmény
| | Nagy teljesítményű vektorvezérlés a berendezés pontosságának javítása érdekében |
| A maximális kimeneti frekvencia vektorvezérlés mellett eléri az 1500 Hz-et, amivel nagy pontosságú kimeneti sebesség érhető el az 1-szeres gyenge mágneses sebességszabályozási tartományon belül. | |
| | |
| | Tökéletes hajtás szinkron motorokhoz |
| A szinkronmotor aktuális hullámalakja nyílt hurkú vektorvezérlési módban 500 Hz-en, 100%-os névleges terhelés mellett. | |
| | |
| | Megbízható hőelvezető kialakítás |
| A független kettős légcsatornás tervezési technológia lehetővé teszi a napelemes szivattyú meghajtását 50 ℃-os gyűrűhőmérsékleten, kapacitáscsökkentés nélkül. |
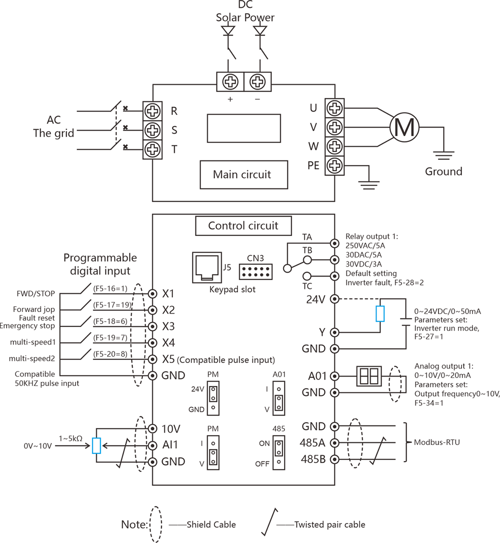
Bekötési rajz
Az RVE35 0,75kw-7,5kw termékeknél vegye figyelembe a következőket:
1. A termék nem tartalmaz X6 és X7 logikai bemeneti csatlakozókat;
2. A termék csak 1 analóg bemenetet, 1 analóg kimenetet és 1 relé kimenetet tartalmaz











































